• 信息
  • 详情
  • 联系
  • 推荐
发送询价分享好友 产品首页 产品分类 切换频道
1/5
AC轴流风机图1AC轴流风机图2AC轴流风机图3

AC轴流风机

2019-02-18 20:047460询价
价格 面议
发货 上海市
品牌 霆翔电气(上海)有限公司
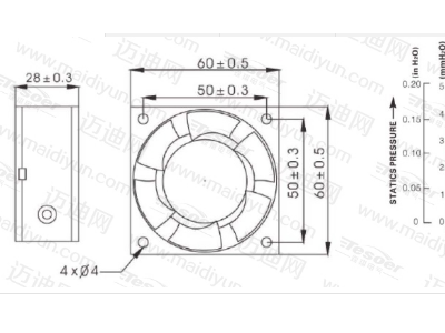
规格 60*60*28
功率 8/10W
风量 13/17CFM
该产品库存不足
产品详情
AC轴流风机产品概述
该系列由圆筒型铝合金外框、PBT塑料风叶与电机构成一体,并通过双面法兰安装,固而具有体积小、免维护、安装方便等特点,并具有噪音低、振动小、运行可靠等优良性能。该风机主要用于自动控制装置、电子设备、医疗设备、计算机、电源设备、电焊机、包装印刷设备、卫星通讯设备、数控机械、办公用品自动化等通风散热之用。
AC轴流风机使用环境
标准使用温度(℃);滚珠轴承(B)-30℃-70℃/含油(S)-10℃-40℃
                                特殊温度可以定制,最高温度可高达-40℃~100℃
相对湿度(%):90%~95%
气压(毫米水银柱)55KPa(G)74.8KPa(H)
振动:振频10-55Hz低频限幅、双振幅1.5mm
冲击:(峰值加速度)150m/s²
使用寿命:实验室25℃状态时,滚珠轴承50000小时


举报
收藏 0
评论 0
联系方式
加关注0

霆翔电气(上海)有限公司

企业会员第8年
资料未认证
保证金未缴纳